清洗中心
Products

電 話:4006-598-119
手 機:15262554119
聯系人:盧經理
E_mail:18751140119@163.com
地 址:常熟市黃河路275號119
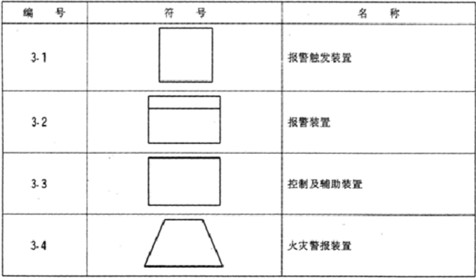
電氣火災、火災報警設備圖形符號
中國·國家消防電子產品質量監督檢驗中心公布消息,電氣火災、火災報警設備圖形符號如基本圖形規則。





江蘇蘇州智淼探測器清洗廠家主營:進口火災探測器清洗,國產煙感清洗,超聲波清洗,消防設備維修清洗,光電、等離子探測器清洗,探測器清洗網址:http://m.mcbag.com.cn/,清洗服務熱線:4006-598-119
Copyright ? 2002-2025 江蘇蘇州智淼消防探測器清洗廠家 版權所有 power by tcq119.com 全國各地區煙感清洗服務熱線
電 話:4006-598-119 ?? 手 機:15262554119?? 傳 真:0512-52847706 ?? E-mail:18751140119@163.com
地 址:常熟市黃河路275號119
技術支持:探測器清洗 ?? 蘇ICP備19022074號-23 網站地圖?(XML?/?TXT)
蘇公網安備32058102002163號
掃碼關注我們